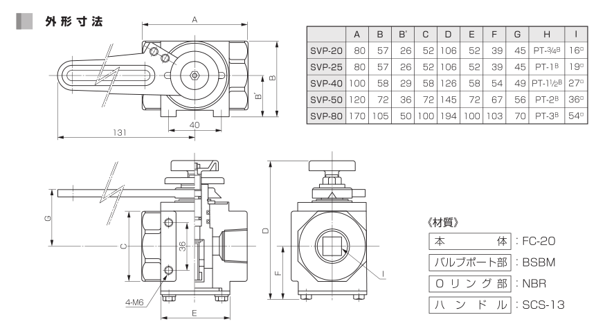
SVP-20,25,40,50,80比例阀
〔特 长〕
● 比例阀与以往的蝶阀不同,采用了方形阀体流通口方式,得到接近于线型流量特性,可以稳定的对流量(燃烧)进行控制。
● 在燃烧系统的配管工程中,空气管道和燃气管道的口径大小不同,可以补正流量特性的差异。
● 只用调节旋钮可以任意的变更和调整阀门的流通面积,更加容易的变更燃气体流量(热量转换).
● 内孔的调整只需一个调节旋钮,附带锁紧螺母。
● 比例阀可以控制流体的流量的同时,还可以活用为流量位阀.
● 控制马达安装板(另算费用)可以对应各个厂家的产品。
● 外部形状呈八角形,便于使用管钳。
● 控制手柄为带有刻度并坚固的不锈钢制品。
〔 主要用途 〕
调节燃气的流量可作为燃气管路的制约阀门用
〔 使用方法 〕
■ 内孔开启度调整 (调节旋钮·锁紧螺母手柄)
● 内孔的开口面积(开启度)调整可以通过调节旋钮来进行.
● 左方向(逆时针)旋转为开,右方向(顺时针)旋转为关,每旋转一周可以调节1mm.
● 调节旋钮
调节旋钮的固定是由旋钮下方的锁紧螺母手柄来完成。用一只手按住旋钮保持设定内容不变,另一只手扭转锁紧螺母手柄进行固定。
■ 阀体的开启度调整
● 阀体的开启度,如下图所示可以通过控制手柄来进行调节.具体的开启度可以参照手柄的前端和刻度来判别,而且通过手柄中央部的切口部亦可了解。(切口部·阀体部·全闭状态)
〔 使用注意事项 〕
● 比例阀是流量控制阀,不可作为一般的开闭阀门使用。
● 请保持使用流体的温度范围在摄氏60以下。
● 使用流体压力的标准在10Kpa以下。
● 手柄的转动力矩是调节在0.3kg-m以内,
用一个马达同时联动使用复数的比例阀时,请注意马达的转动力矩。出厂时,①.内孔的开启度是全闭状态。②.阀体开启度和手柄的关系是如右图所示呈45°角设置。C-------O 出货时,全开--全闭设置在这两个位置上。
( 有偿配置 )
1 控制马达安装板
与控制马达进行联动控制时,请使用本公司专用的控制马达安装板(对应山武、日章计器工业,N-RIKEN的产品)
2 控制马达
3 联动棒以及联动接头 8φ×300L联动棒的规格: 8φ×500L 备有专用的联动接头。






如需技术交流,请联系本公司;021-34679016
